CD71C SERIES

  ALUMINUM ELECTROLYTIC CAPACITORS

  


 
  • Load life of 1000 hours at 85oC

  • Bi-polarized

  • 7mm height, standard products

  • SPECIFICATIONS
Item Characteristics
Operating Temperature Range(oC) -40~+85
Rated Voltage Range (V) 6.3~50
Nominal capacitance range (uF) 0.1~100
Capacitance Tolerance(20oC, 120Hz) +/-20%
Leakage Current (uA) I<=0.03CV+3  (at 20oC,after 5 minutes)

C: Nominal Capacitance (uF), V: Rated Voltage (v)

Dissipation Factor(20oC, 120Hz)
Rated voltage (v) 6.3 10 16 25 35 50
D.F. 0.30 0.25 0.20 0.15
Load Life(+85oC)
Time 1000hours.(Polarity inverts for every 250 hours)
Leakage current Not more than the specified value.
Capacitance change within+/-20% of the initial value
Dissipation Not more than 200% of the specified value.
Shelf Life(+85oC)
Time 500hours.
Leakage current Not more than the specified value.
Capacitance change within+/-20% of the initial value
Dissipation Not more than 200% of the specified value.

          After test: Rated voltage to be applied for 30 minutes,24~48 hours before measurement

                                    
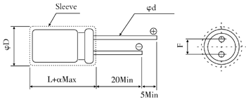
  • DIMENSIONS                            mm     
  •  MULTIPLIER FOR RIPPLE CURRENT 

    Lead spacing and diameter

D+/-0.5 4 5 6.3
F+/-0.5 1.5 2.0 2.5
d+/-0.1 0.45
a 0~+1.0
 

Frequency coefficient

Freq(Hz) 50,60 120 500 1K 10K
Coefficient 0.8 1.0 1.2 1.3 1.5
  • STANDARD RATINGS
Cap(uF) Wv(v) 6.3 10 16 25 35 50
Item Size(mm) Ripple Size(mm) Ripple Size(mm) Size(mm) Ripple Ripple Size(mm) Ripple Size(mm) Ripple
DxL (mA) DxL (mA) DxL (mA) DxL (mA) DxL (mA) DxL (mA)
0.1 - - - - - - - - - - 4x7 1
0.22 - - - - - - - - - - 4x7 2
0.33 - - - - - - - - - - 4x7 3
0.47 - - - - - - - - - - 4x7 5
1 - - - - - - - - - - 4x7 10
2.2 - - - - - - - - 4x7 13 4x7 19
3.3 - - - - - - 4x7 15 5x7 19 5x7 26
4.7 - - - - 4x7 18 5x7 18 5x7 22 6.3x7 32
10 - - 4x7 23 5x7 25 6.3x7 35 6.3x7 37 - -
22 5x7 32 5x7 35 6.3x7 45 6.3x7 50 - - - -
33 5x7 40 6.3x7 45 6.3x7 60 - - - - - -
47 6.3x7 56 6.3x7 65 - - - - - - - -
100 6.3x7 86                    

Ripple Current: 85 oC ,100Hz or 120Hz